Одновитковые вихретоковые датчики
|
|
Одновитковые вихретоковые датчики для измерения смещений элементов конструкций ГТД
Одновитковые вихретоковые датчики для измерения смещений элементов конструкций ДВС
Измерители крутящего момента
Датчики угловых перемещений
Другие
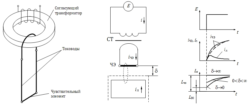
Чувствительным элементом (ЧЭ) одновитковых вихретоковых датчиков (ОВТД) является одиночный контур или отрезок проводника. Для согласования параметров ЧЭ (его индуктивность весьма мала и не превышает десятков нГн) с существующими измерительными цепями используются согласующие трансформаторы. Соединение ЧЭ в виде отрезка проводника с согласующим трансформатором осуществляется с помощью безындуктивных тоководов.
временные диаграммы токов и эквивалентной индуктивности ЧЭ |
Пусть согласующий трансформатор не искажает передний фронт напряжения питания прямоугольной формы, которое в контуре ЧЭ возбуждает ток iЧЭ. Если объект (лопатка, поверхность вала, экран и т.д.), расстояние до которого измеряется, находится на большом расстоянии от ЧЭ (δ→∞), а влиянием вихревых токов в самом ЧЭ, связанных с магнитным полем, вызванным током iЧЭ, можно пренебречь, то ток iЧЭ определяется только индуктивностью ЧЭ (LЧЭ) и его омическим сопротивлением (rЧЭ), причем изменения LЧЭ во времени будут иметь экспоненциально нарастающий характер. С приближением объекта (лопатки, поверхности вала, экрана и т.д.) (δ→0) под действием магнитного поля (токаiЧЭ) в них появляются вихревые токи, а в имитирующем объект (лопатку, поверхность вала, экран и т.д.) контуре - ток iл, также изменяющийся во времени. Этот ток (iл(t)) влияет на результирующее магнитное поле, что приводит к изменениям формы тока iЧЭ(t) и его отклонениям от экспоненциальной зависимости. Такие отклонения можно интерпретировать как влияние переменной во времени эквивалентной индуктивности LЭ(t), непостоянство которой в переходном режиме объясняется влиянием вихревых токов iл. В начале переходного процесса при t→0 эквивалентная индуктивность ОВТД минимальна (LЭ=LЭ0=
[LЧЭ-M⋅(iл/iЧЭ)], где M – взаимная индуктивность контуров токов iЧЭ и iл), и зависит от δ. При t→∞ вихревые токи затухают (iл=0), индуктивность LЭ возрастает и стремится к LЧЭ.
При этом начало переходного процесса характеризуется наибольшей чувствительностью индуктивности LЭ0 к изменениям δ, и в этой связи момент времени t=0 наиболее привлекателен для последующих преобразований. Эта особенность и используется преобразования изменений эквивалентной индуктивности ЧЭ (LЭ) в так называемом методе первой производной, который предусматривает фиксацию производной тока i в первичной обмотке согласующего трансформатора в момент времени t→0. При этом предполагается, что индуктивность первичной обмотки L=n2LЭ, где n – коэффициент трансформации согласующего трансформатора (n=w1/w2, w1 и w2 – число витков, причем w2=1), а ее омическое сопротивление – R.


_ns.jpg)

_ns.jpg)
















